USB Camera Module
Product Features
This product is a high-performance USB camera module equipped with a 1/2.7-inch 2MP image sensor, capable of delivering 1080P 30fps HD video output.
Key Specifications
| No. | Items | Description | Remarks |
|---|---|---|---|
| 1 | CMOS Sensor | SC200AI, 1/2.8" | |
| 2 | Max.Resolution | 1920*1080 | |
| 3 | F.No | Optional LENS | |
| 4 | Focal Length | 2.5mm/4mm/6mm | Optional LENS |
| 5 | Focusing distance | 2M/3M/5M | Optional LENS |
| 6 | FOV(H) | 137/88/51 | Optional LENS |
| 8 | Communication Interfaces | USB | |
| 9 | Operation Temperature | -20°-- 60° | |
| 10 | Storage Temperature | -40°-- 85° | |
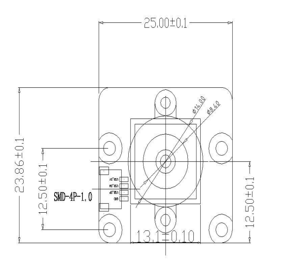
| 11 | Dimensions | 25mm*23.86mm |
Pin Definition (4-pin USB Interface)
| Pin | v | Function | Remarks |
|---|---|---|---|
| 1 | VCC | 5V Power Input | Max current 500mA |
| 2 | DM | USB D- Signal | Compliant with USB 2.0 protocol |
| 3 | DP | USB D+ Signal | Compliant with USB 2.0 protocol |
| 4 | GND | Ground | Shared with signal ground |
Usage
-
Hardware Connection
- Connect to the host via the 4-pin 1.0mm USB interface, Ensure stable power supply during operation.
- The lens is pre-focused at the factory; do not rotate or disassemble the lens module.
-
System Compatibility
- Supported OS: Windows XP / 7 / 8.1 / 10, macOS, and Linux 2.6.2 or above (requires built-in UVC driver).
- Minimum system requirements:CPU ≥ 1.7GHz, Memory ≥ 512MB, HDD ≥ 40GB, OS: XP SP2 or later.
-
Notes
- Operating temperature should be maintained between 0°C and 60°C. Avoid environments with condensation.
- Use a lint-free cloth to clean the lens. Do not use corrosive solvents.
**4. Dimension **
